新闻资讯
正负150VDC双路输出8W小体积DCDC模块电源
文章出处:
阅读量:216
发表时间:2024-02-04

正负150VDC双路输出8W小体积DCDC模块电源


随着DCDC电源模块技术在标准化和定制化服务的不断创新与提高,满足了用电架构更简单、更灵活、更高效和更可靠的电源需求。模块电源可广泛应用于航空航天、机车舰船、军工兵器、发电配电、邮电通信、冶金矿山、自动控制、家用电器、仪器仪表和科研实验等社会生产和生活的各个领域,尤其是在高可靠和高技术领域发挥着不可替代的重要作用


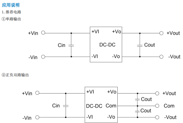
有些特殊的场景想用正负电源做推拉,或者没有找到合适的三极管,就需要DCDC双路输出的电源满足需求,比如24VDC输入,正负±150VDC输出的电源模块;为此,广州fh至尊电源(UHV-power)专门开发出DC-DC高压输出-正负双路输出电源模块、小功率、小体积的DC/DC模块电源USA和UHA两个系列产品,双路输出范围正负100VDC-1200VDC(±100VDC、±150VDC、±200VDC、±300VDC、±400VDC、±600VDC、1000VDC),同时支持各个领域的客户开发新产品,满足多种类型电气参数的用电架构要求!

 

广州fh至尊电源技术有限公司(/)秉乘“以客户为中心,坚持点对点服务”,同时提供技术咨询、产品升级、定制化服务的中小功率高压电源服务商!  


              image.png

                      产品与应用框图

 image.png

 

 


image.png

 

 


在线咨询
在线留言
联系电话

咨询热线

黄生 13724862391

首页
产品中心
产品选型
联系